GB/T 872-1986标准基本信息
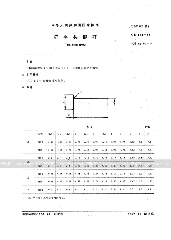
标准名称:扁平头铆钉
标准号:GB/T 872-1986
发布日期:1986-07-02
实施日期:1987-06-01
全部代替标准:GB 872-1976
中国标准分类:J13
国际标准分类:21 机械系统和通用件,21.060 紧固件,21.060.40 铆钉
归口单位:全国紧固件标准化技术委员会
执行单位:全国紧固件标准化技术委员会
主管部门:中国机械工业联合会
国家标准《扁平头铆钉》由TC85(全国紧固件标准化技术委员会)归口上报及执行,主管部门为中国机械工业联合会。
机械委标准所。

