GB/T 1952-1980标准基本信息
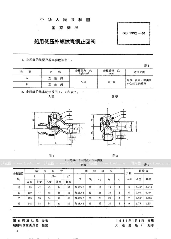
标准名称:船用低压外螺纹青铜止回阀
标准号:GB/T 1952-1980
发布日期:1980-05-15
实施日期:1981-01-01
被代替日期:2015-10-01
中国标准分类:U52
国际标准分类:47 造船和海上构筑物,47.020 造船和海上构筑物综合,47.020.30 管路系统
归口单位:全国船用机械标准化技术委员会
执行单位:全国船用机械标准化技术委员会
主管部门:国家标准化管理委员会
国家标准《船用低压外螺纹青铜止回阀》由TC137(全国船用机械标准化技术委员会)归口上报及执行,主管部门为国家标准化管理委员会。
大连船厂。

