GBn 184-1982标准基本信息
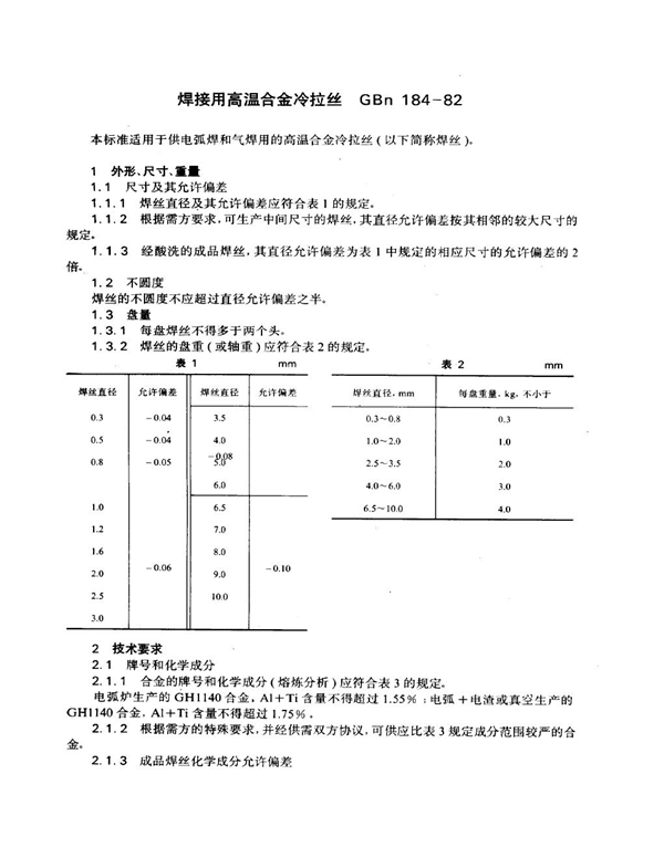
标准名称:焊接用高温合金冷拉丝
标准号:GBn 184-1982
标准格式:PDF
标准分类:国家标准
标准大小:129.96 KB
GBn 184-1982 焊接用高温合金冷拉丝

GBn 184-1982标准基本信息
标准名称:焊接用高温合金冷拉丝
标准号:GBn 184-1982
标准格式:PDF
标准分类:国家标准
标准大小:129.96 KB
GBn 184-1982 焊接用高温合金冷拉丝

声明:资源收集自用户分享或网络,仅为个人学习参考使用,如侵犯您的权益,请联系我们处理。
不能下载?报告错误