GB 4169.7-1984标准基本信息
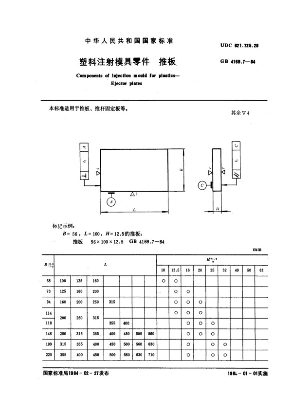
标准名称:塑料注射模具零件 推板
标准号:GB 4169.7-1984
标准格式:PDF
标准分类:国家标准
标准大小:49.59 KB
GB 4169.7-1984 塑料注射模具零件 推板

GB 4169.7-1984标准基本信息
标准名称:塑料注射模具零件 推板
标准号:GB 4169.7-1984
标准格式:PDF
标准分类:国家标准
标准大小:49.59 KB
GB 4169.7-1984 塑料注射模具零件 推板

声明:资源收集自用户分享或网络,仅为个人学习参考使用,如侵犯您的权益,请联系我们处理。
不能下载?报告错误