GB 4678.14-1984标准基本信息
标准名称:压铸模零件 限位钉
标准号:GB 4678.14-1984
标准格式:PDF
标准分类:国家标准
标准大小:22.42 KB
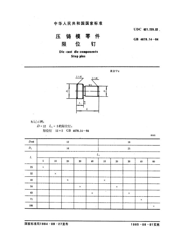
GB 4678.14-1984 压铸模零件 限位钉

GB 4678.14-1984标准基本信息
标准名称:压铸模零件 限位钉
标准号:GB 4678.14-1984
标准格式:PDF
标准分类:国家标准
标准大小:22.42 KB
GB 4678.14-1984 压铸模零件 限位钉

声明:资源收集自用户分享或网络,仅为个人学习参考使用,如侵犯您的权益,请联系我们处理。
不能下载?报告错误