当前位置:首页 > 国家标准 > GB 4678.3-1984

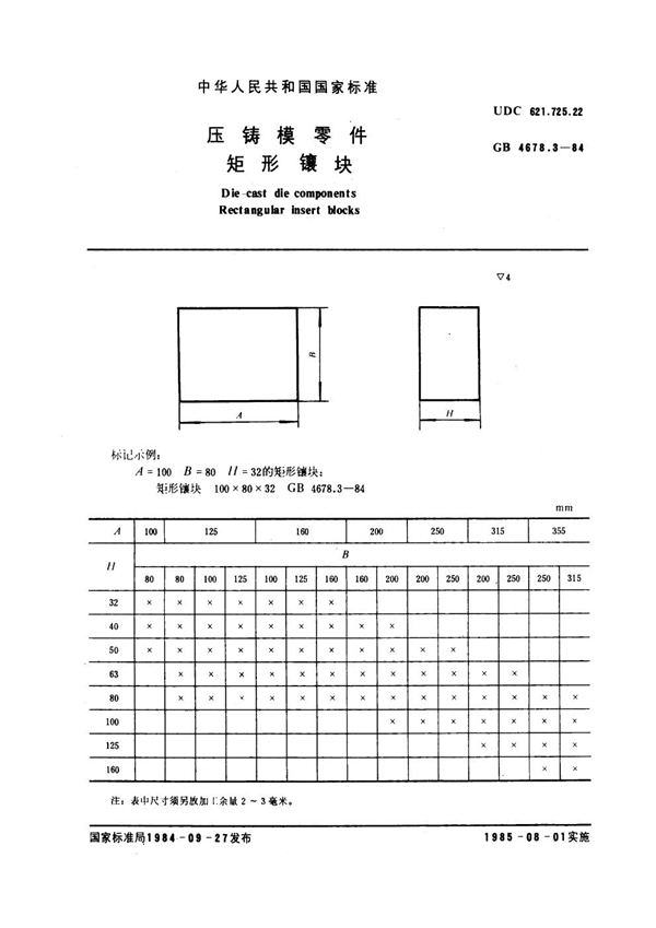
GB 4678.3-1984 压铸模零件 矩形镶块

GB 4678.3-1984标准基本信息

标准名称:压铸模零件 矩形镶块

标准号:GB 4678.3-1984

标准格式:PDF

标准分类:国家标准

标准大小:26.05 KB

GB 4678.3-1984 压铸模零件 矩形镶块

声明:本站为网络服务提供者及网络索引服务平台资源索引自网络/用户分享,如有版权问题,请联系站方删除。

不能下载?报告错误