GB 4818-1984标准基本信息
标准名称:铁路货车锯材
标准号:GB 4818-1984
标准格式:PDF
标准分类:国家标准
标准大小:36.04 KB
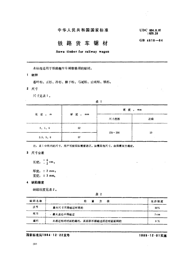
GB 4818-1984 铁路货车锯材

GB 4818-1984标准基本信息
标准名称:铁路货车锯材
标准号:GB 4818-1984
标准格式:PDF
标准分类:国家标准
标准大小:36.04 KB
GB 4818-1984 铁路货车锯材

声明:资源收集自用户分享或网络,仅为个人学习参考使用,如侵犯您的权益,请联系我们处理。
不能下载?报告错误