GB 9206-1988标准基本信息
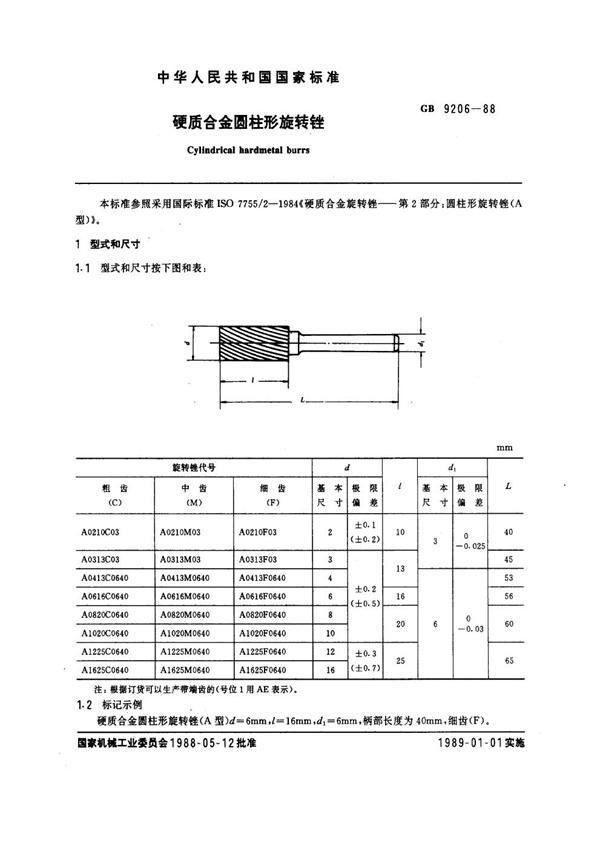
标准名称:硬质合金圆柱形旋转锉
标准号:GB 9206-1988
标准格式:PDF
标准分类:国家标准
标准大小:35.96 KB
GB 9206-1988 硬质合金圆柱形旋转锉

GB 9206-1988标准基本信息
标准名称:硬质合金圆柱形旋转锉
标准号:GB 9206-1988
标准格式:PDF
标准分类:国家标准
标准大小:35.96 KB
GB 9206-1988 硬质合金圆柱形旋转锉

声明:资源收集自用户分享或网络,仅为个人学习参考使用,如侵犯您的权益,请联系我们处理。
不能下载?报告错误