JB/T 7384.15-1994标准基本信息
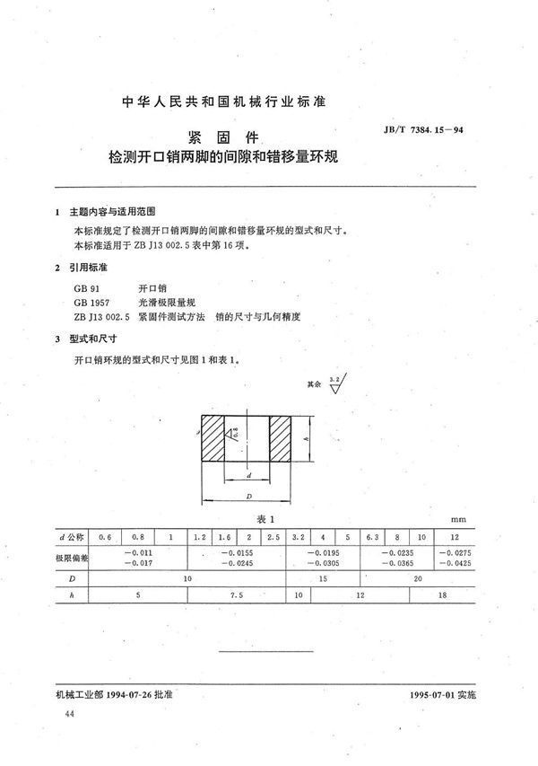
标准名称:紧固件检测开口销两脚的间隙和错移量环规
标准号:JB/T 7384.15-1994
发布日期:1994-07-26
实施日期:1995-07-01
制修订:制定
批准发布部门:机械工业部
行业分类:无
标准类别:无
起草单位:
起草人:

JB/T 7384.15-1994标准基本信息
标准名称:紧固件检测开口销两脚的间隙和错移量环规
标准号:JB/T 7384.15-1994
发布日期:1994-07-26
实施日期:1995-07-01
制修订:制定
批准发布部门:机械工业部
行业分类:无
标准类别:无
起草单位:
起草人:

声明:资源收集自用户分享或网络,仅为个人学习参考使用,如侵犯您的权益,请联系我们处理。
不能下载?报告错误