当前位置:首页 > 行业标准 > JB 3847-1985

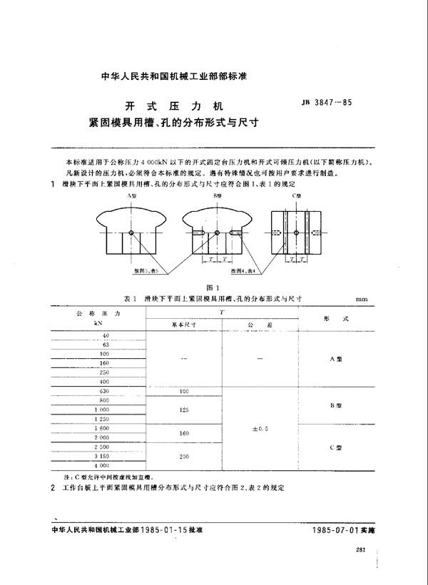
JB 3847-1985 开式压力机 紧固模具用槽孔的分布形式与尺寸

JB 3847-1985标准基本信息

标准名称:开式压力机 紧固模具用槽孔的分布形式与尺寸

标准号:JB 3847-1985

发布日期:

实施日期:1993-06-01

JB 3847-1985 开式压力机 紧固模具用槽孔的分布形式与尺寸

声明:资源收集自用户分享或网络,仅为个人学习参考使用,如侵犯您的权益,请联系我们处理。

不能下载?报告错误