当前位置:首页 > 行业标准 > JB/T 3830.1-1984

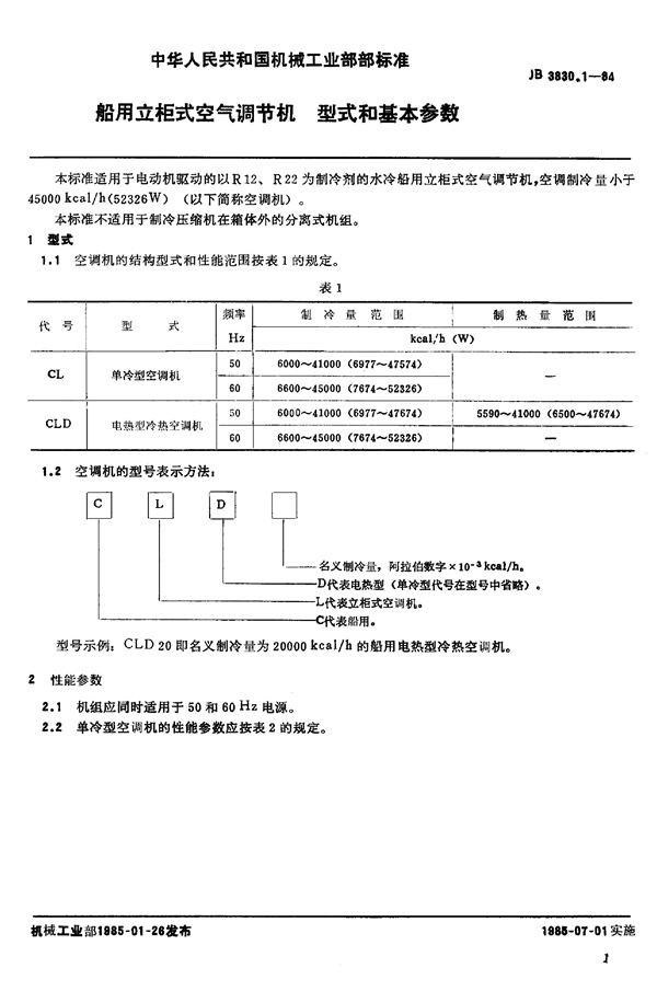
JB/T 3830.1-1984 船用立柜式空气调节机 型式与基本参数

JB/T 3830.1-1984标准基本信息

标准名称:船用立柜式空气调节机 型式与基本参数

标准号:JB/T 3830.1-1984

发布日期:85-01-26

实施日期:85-07-01

JB/T 3830.1-1984 船用立柜式空气调节机 型式与基本参数

声明:资源收集自用户分享或网络,仅为个人学习参考使用,如侵犯您的权益,请联系我们处理。

不能下载?报告错误