当前位置:首页 > 行业标准 > JB/T 3878.1-1985

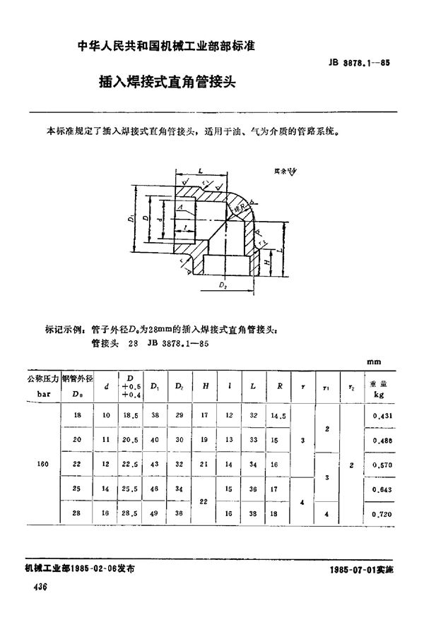
JB/T 3878.1-1985 插入焊接式直角管接头

JB/T 3878.1-1985标准基本信息

标准名称:插入焊接式直角管接头

标准号:JB/T 3878.1-1985

发布日期:1985-02-05

实施日期:1992-07-01

JB/T 3878.1-1985 插入焊接式直角管接头

声明:资源收集自用户分享或网络,仅为个人学习参考使用,如侵犯您的权益,请联系我们处理。

不能下载?报告错误