JB/T 5738-1991标准基本信息
标准名称:木工机用长麻花钻
英文名称:Long twist drill for woodworking machine
标准号:JB/T 5738-1991
发布日期:91-10-04
实施日期:92-07-01
归口单位:福州木工机床所
起草单位:
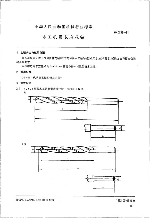
本标准规定了木工机用长麻花钻的型式尺寸、技术要求、试验方法和标志包装的基本要求。本标准适用于直径D为3~50MM钻削各种木材孔的长木工钻。

JB/T 5738-1991标准基本信息
标准名称:木工机用长麻花钻
英文名称:Long twist drill for woodworking machine
标准号:JB/T 5738-1991
发布日期:91-10-04
实施日期:92-07-01
归口单位:福州木工机床所
起草单位:
本标准规定了木工机用长麻花钻的型式尺寸、技术要求、试验方法和标志包装的基本要求。本标准适用于直径D为3~50MM钻削各种木材孔的长木工钻。

声明:资源收集自用户分享或网络,仅为个人学习参考使用,如侵犯您的权益,请联系我们处理。
不能下载?报告错误