JB/T 6059.4-1992标准基本信息
标准名称:机械压力机锻模 组合导套刮圈
英文名称:Forging die for mechanical press machines Scraper rings for combination guide bushings
标准号:JB/T 6059.4-1992
发布日期:92-05-05
实施日期:93-07-01
归口单位:北京机电所
起草单位:
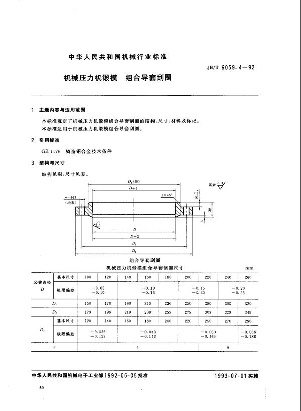
本标准规定了机械压力机锻模组合导套刮圈的结构、尺寸、材料、热处理及标记。

JB/T 6059.4-1992标准基本信息
标准名称:机械压力机锻模 组合导套刮圈
英文名称:Forging die for mechanical press machines Scraper rings for combination guide bushings
标准号:JB/T 6059.4-1992
发布日期:92-05-05
实施日期:93-07-01
归口单位:北京机电所
起草单位:
本标准规定了机械压力机锻模组合导套刮圈的结构、尺寸、材料、热处理及标记。

声明:资源收集自用户分享或网络,仅为个人学习参考使用,如侵犯您的权益,请联系我们处理。
不能下载?报告错误