JB/T 9819-1999标准基本信息
标准名称:砂轮磨浆机
英文名称:Grinding wheel fiberizer
标准号:JB/T 9819-1999
发布日期:99-04-05
实施日期:99-04-05
代替标准:ZBB93015-89
归口单位:中国农机院
起草单位:
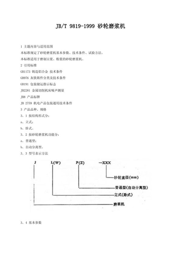
本标准规定了砂轮磨浆机基本参数、技术条件、试验方法。本标准适用于磨制豆浆、粉浆的砂轮磨浆机。

JB/T 9819-1999标准基本信息
标准名称:砂轮磨浆机
英文名称:Grinding wheel fiberizer
标准号:JB/T 9819-1999
发布日期:99-04-05
实施日期:99-04-05
代替标准:ZBB93015-89
归口单位:中国农机院
起草单位:
本标准规定了砂轮磨浆机基本参数、技术条件、试验方法。本标准适用于磨制豆浆、粉浆的砂轮磨浆机。

声明:资源收集自用户分享或网络,仅为个人学习参考使用,如侵犯您的权益,请联系我们处理。
不能下载?报告错误