JB/ZQ 4217-2006标准基本信息
标准名称:活塞杆外螺纹防护帽
英文名称:Piston rod outer thread protection cap
标准号:JB/ZQ 4217-2006
发布日期:
实施日期:
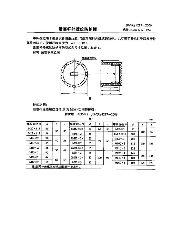
本标准适用于冶金设备用液压缸、气缸活塞杆外螺纹的防护。也可用于其他缸类活塞杆外螺纹的防护。使用环境温度为-40~+80℃。

JB/ZQ 4217-2006标准基本信息
标准名称:活塞杆外螺纹防护帽
英文名称:Piston rod outer thread protection cap
标准号:JB/ZQ 4217-2006
发布日期:
实施日期:
本标准适用于冶金设备用液压缸、气缸活塞杆外螺纹的防护。也可用于其他缸类活塞杆外螺纹的防护。使用环境温度为-40~+80℃。

声明:资源收集自用户分享或网络,仅为个人学习参考使用,如侵犯您的权益,请联系我们处理。
不能下载?报告错误