JB/ZQ 4213-2006标准基本信息
标准名称:内、外螺纹用防护塞
英文名称:Protection plug for inner and outer thread
标准号:JB/ZQ 4213-2006
发布日期:
实施日期:
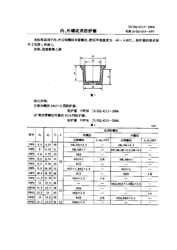
本标准适用于内、外公制螺纹和管螺纹,使用环境温度为-40~+80℃。防护塞的型式和尺寸见图1和表1。图1和表1:略。

JB/ZQ 4213-2006标准基本信息
标准名称:内、外螺纹用防护塞
英文名称:Protection plug for inner and outer thread
标准号:JB/ZQ 4213-2006
发布日期:
实施日期:
本标准适用于内、外公制螺纹和管螺纹,使用环境温度为-40~+80℃。防护塞的型式和尺寸见图1和表1。图1和表1:略。

声明:资源收集自用户分享或网络,仅为个人学习参考使用,如侵犯您的权益,请联系我们处理。
不能下载?报告错误