当前位置:首页 > 行业标准 > JB/ZQ 4416-2006

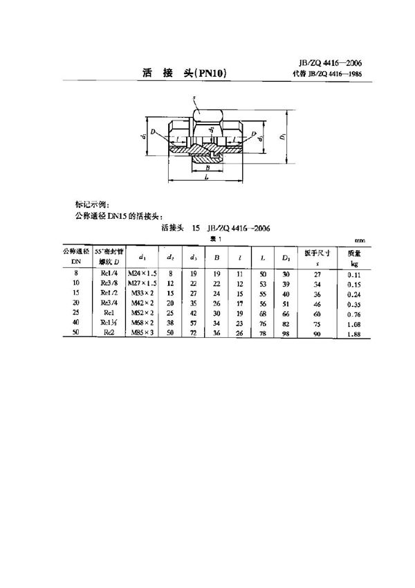
JB/ZQ 4416-2006 活接头(PN10)

JB/ZQ 4416-2006标准基本信息

标准名称:活接头(PN10)

英文名称:Unions (PN10)

标准号:JB/ZQ 4416-2006

发布日期:

实施日期:

活接头(PN10)

JB/ZQ 4416-2006 活接头(PN10)

声明:资源收集自用户分享或网络,仅为个人学习参考使用,如侵犯您的权益,请联系我们处理。

不能下载?报告错误