JB/ZQ 4464-2006标准基本信息
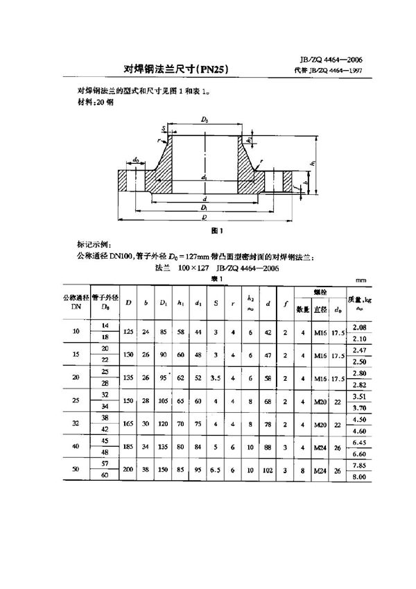
标准名称:对焊钢法兰尺寸(PN25)
英文名称:Butt welded steel flange size (PN25)
标准号:JB/ZQ 4464-2006
发布日期:
实施日期:
对焊钢法兰尺寸(PN25)

JB/ZQ 4464-2006标准基本信息
标准名称:对焊钢法兰尺寸(PN25)
英文名称:Butt welded steel flange size (PN25)
标准号:JB/ZQ 4464-2006
发布日期:
实施日期:
对焊钢法兰尺寸(PN25)

声明:资源收集自用户分享或网络,仅为个人学习参考使用,如侵犯您的权益,请联系我们处理。
不能下载?报告错误