JB/ZQ 4504-2006标准基本信息
标准名称:单面管夹垫板
英文名称:Subplates for one side single-pipe clamp
标准号:JB/ZQ 4504-2006
发布日期:
实施日期:
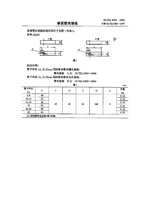
单面管夹垫板

JB/ZQ 4504-2006标准基本信息
标准名称:单面管夹垫板
英文名称:Subplates for one side single-pipe clamp
标准号:JB/ZQ 4504-2006
发布日期:
实施日期:
单面管夹垫板

声明:资源收集自用户分享或网络,仅为个人学习参考使用,如侵犯您的权益,请联系我们处理。
不能下载?报告错误