当前位置:首页 > 行业标准 > JB/ZQ 4756-2006

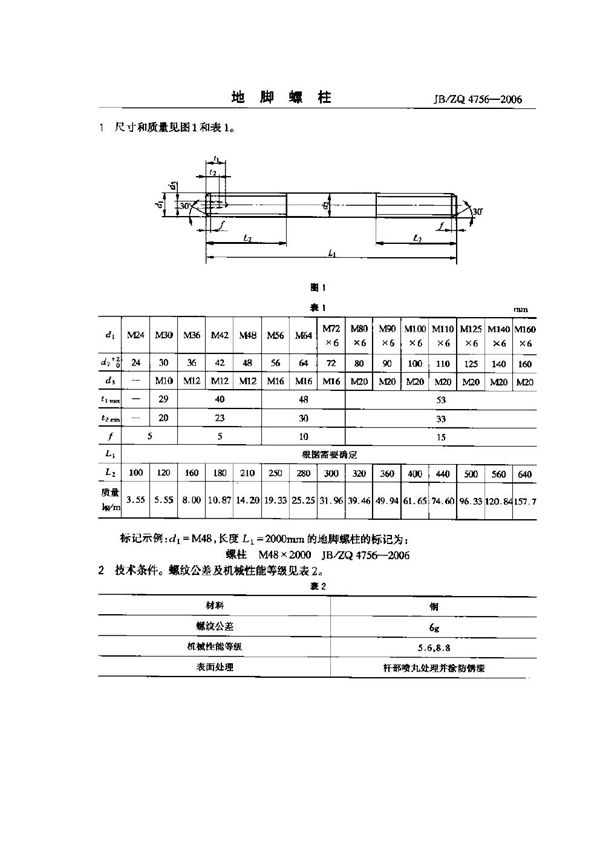
JB/ZQ 4756-2006 地脚螺柱

JB/ZQ 4756-2006标准基本信息

标准名称:地脚螺柱

英文名称:Foundation bolt

标准号:JB/ZQ 4756-2006

发布日期:

实施日期:

JB/ZQ 4756-2006 地脚螺柱

声明:资源收集自用户分享或网络,仅为个人学习参考使用,如侵犯您的权益,请联系我们处理。

不能下载?报告错误