当前位置:首页 > 行业标准 > JB/ZQ 4410-1997

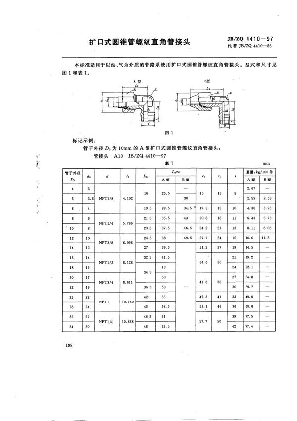
JB/ZQ 4410-1997 扩口式圆锥管螺纹直角管接头

JB/ZQ 4410-1997标准基本信息

标准名称:扩口式圆锥管螺纹直角管接头

标准号:JB/ZQ 4410-1997

JB/ZQ 4410-1997 扩口式圆锥管螺纹直角管接头

声明:资源收集自用户分享或网络,仅为个人学习参考使用,如侵犯您的权益,请联系我们处理。

不能下载?报告错误