当前位置:首页 > 行业标准 > JB/ZQ 4586-2006

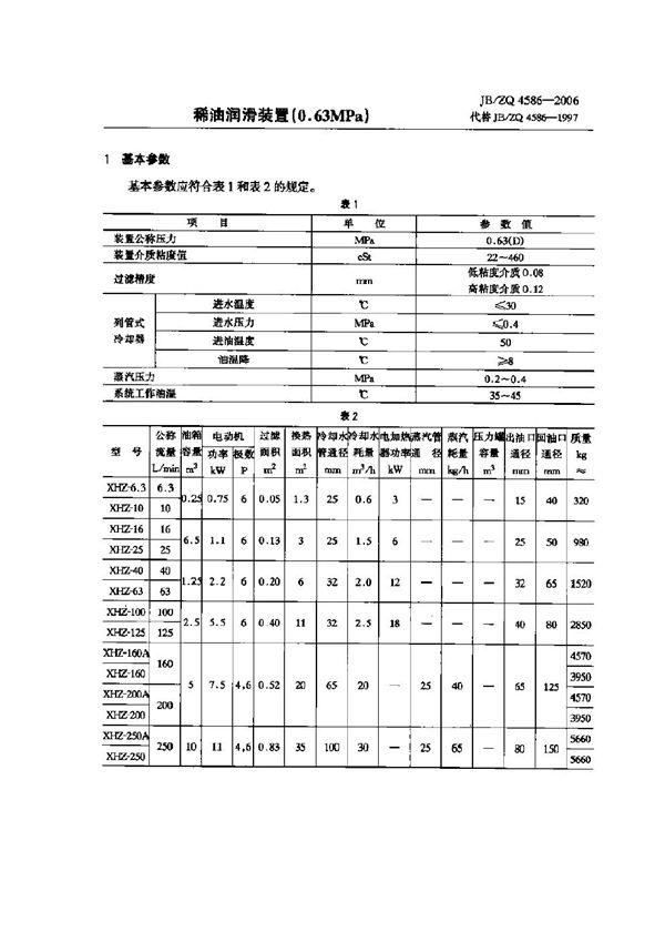
JB/ZQ 4586-2006 稀油润滑装置(0.63MPa)

JB/ZQ 4586-2006标准基本信息

标准名称:稀油润滑装置(0.63MPa)

标准号:JB/ZQ 4586-2006

JB/ZQ 4586-2006 稀油润滑装置(0.63MPa)

声明:资源收集自用户分享或网络,仅为个人学习参考使用,如侵犯您的权益,请联系我们处理。

不能下载?报告错误