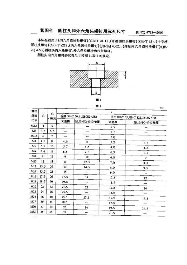
JB/ZQ 4718-2006标准基本信息
标准名称:紧固件圆柱头和外六角头螺钉用沉孔尺寸
标准号:JB/ZQ 4718-2006
声明:本站为网络服务提供者及网络索引服务平台资源索引自网络/用户分享,如有版权问题,请联系站方删除。
免费下载