HG 4-405-1975标准基本信息
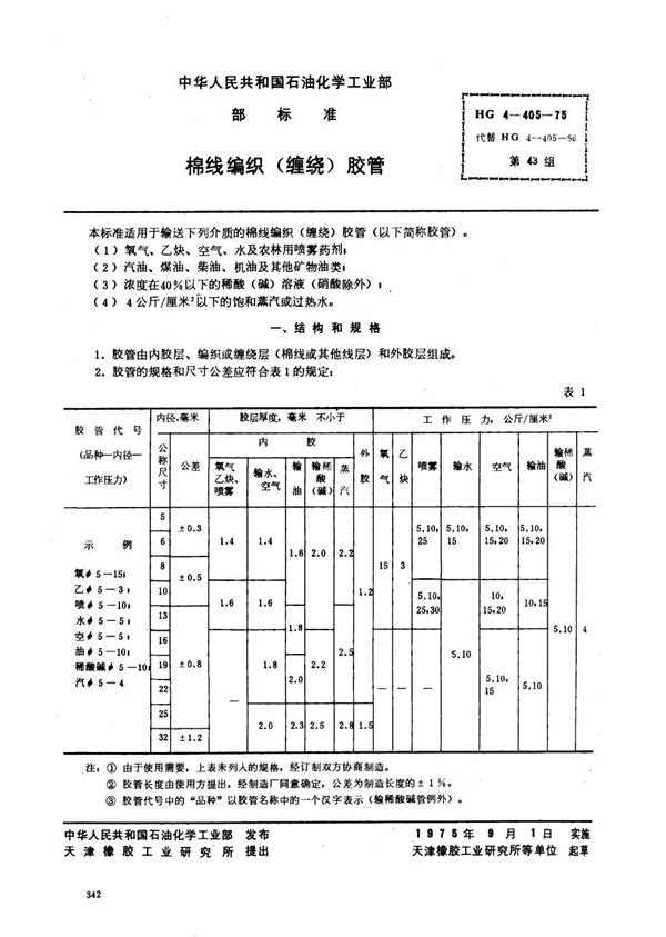
标准名称:棉线编织(缠绕)胶管
标准号:HG 4-405-1975
标准状态:现行
更新日期:2011年10月29日
HG 4-405-1975 棉线编织(缠绕)胶管

HG 4-405-1975标准基本信息
标准名称:棉线编织(缠绕)胶管
标准号:HG 4-405-1975
标准状态:现行
更新日期:2011年10月29日
HG 4-405-1975 棉线编织(缠绕)胶管

声明:资源收集自用户分享或网络,仅为个人学习参考使用,如侵犯您的权益,请联系我们处理。
不能下载?报告错误