当前位置:首页 > 行业标准 > QB/T 2094.1-1995

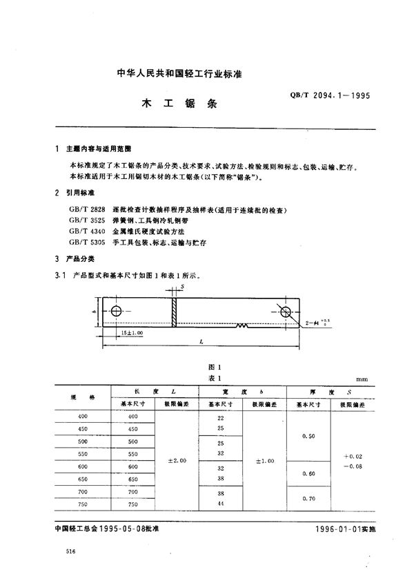
QB/T 2094.1-1995 木工锯条

QB/T 2094.1-1995标准基本信息

标准名称:木工锯条

标准号:QB/T 2094.1-1995

发布部门:

起草单位:

发布日期:

实施日期:1996-1-1

QB/T 2094.1-1995 木工锯条

声明:资源收集自用户分享或网络,仅为个人学习参考使用,如侵犯您的权益,请联系我们处理。

不能下载?报告错误