当前位置:首页 > 行业标准 > YB/T 036.4-1992

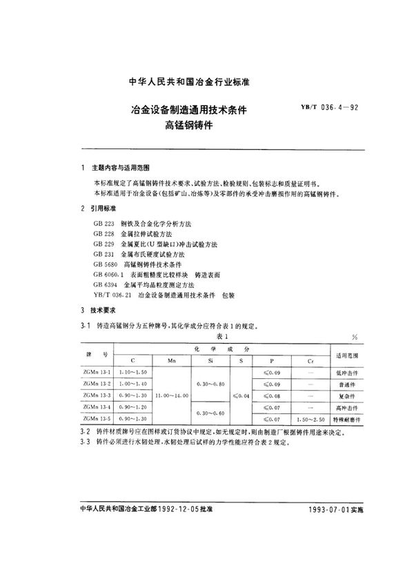
YB/T 036.4-1992 冶金设备制造通用技术条件 高锰钢铸件

YB/T 036.4-1992标准基本信息

标准名称:冶金设备制造通用技术条件 高锰钢铸件

标准号:YB/T 036.4-1992

发布部门:

起草单位:

发布日期:

实施日期:

YB/T 036.4-1992 冶金设备制造通用技术条件 高锰钢铸件

声明:资源收集自用户分享或网络,仅为个人学习参考使用,如侵犯您的权益,请联系我们处理。

不能下载?报告错误