免费标准网 - 标准下载、免费文档下载网站
搜索
当前位置:
首页
>
行业标准
> HB 3976-1987
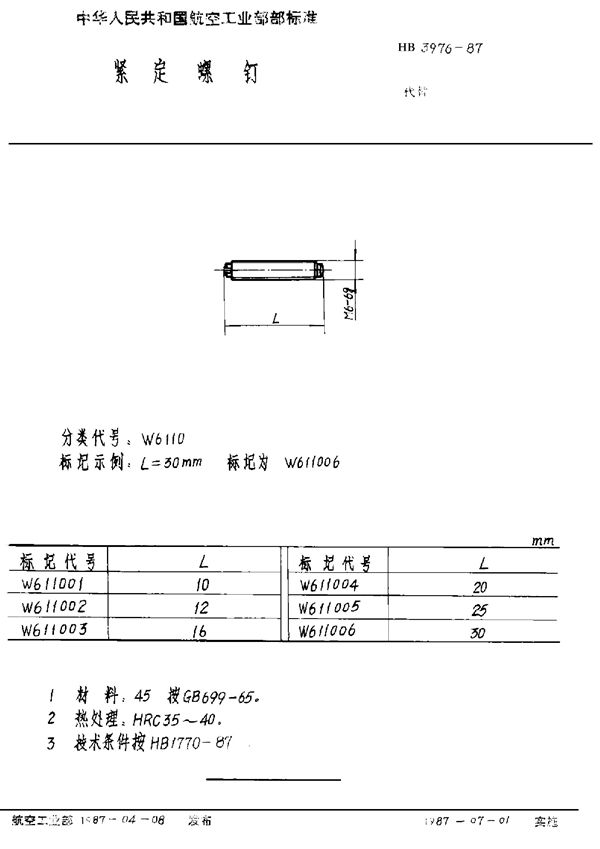
HB 3976-1987 紧定螺钉
HB 3976-1987标准基本信息
标准名称:紧定螺钉
标准号:HB 3976-1987
收藏
下载
声明:资源收集自用户分享或网络,仅为个人学习参考使用,如侵犯您的权益,请联系我们处理。
不能下载?报告错误
翻页:
HB 3978-1987 小垫圈
相关内容
JB/T 7755-2023 滚动轴承 附件 外球面球轴承用紧定螺钉
QJ 1145.34-2007 焊接夹具零件及部件 第34部分:内六角螺纹端头紧定螺钉
GB 86-1988 方头短圆柱锥端紧定螺钉
GB 85-1988 方头长圆柱端紧定螺钉
GB 84-1988 方头凹端紧定螺钉
下载
免费下载
收藏
报错
热门标签
无缝管
锻造
粉煤灰
不锈钢
疏水阀
cad制图
紧固件
阻燃
电气
止回阀
饮用水
工业
甲醛
施工工艺
钢球
锅炉
密封垫片
钢结构
国标
行业
地方
团体
企业
计量
手册
建设
文档
首页