免费标准网 - 标准下载、免费文档下载网站
搜索
当前位置:
首页
>
行业标准
> HB 1314-1987
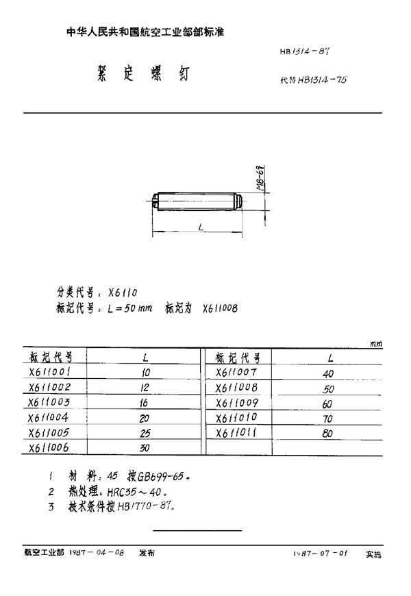
HB 1314-1987 紧定螺钉
HB 1314-1987标准基本信息
标准名称:紧定螺钉
标准号:HB 1314-1987
收藏
下载
声明:资源收集自用户分享或网络,仅为个人学习参考使用,如侵犯您的权益,请联系我们处理。
不能下载?报告错误
翻页:
HB 2088-1989 圆锥形检验心轴
相关内容
JB/T 7755-2023 滚动轴承 附件 外球面球轴承用紧定螺钉
QJ 1145.34-2007 焊接夹具零件及部件 第34部分:内六角螺纹端头紧定螺钉
GB 86-1988 方头短圆柱锥端紧定螺钉
GB 85-1988 方头长圆柱端紧定螺钉
GB 84-1988 方头凹端紧定螺钉
下载
免费下载
收藏
报错
热门标签
铸造
钢管
玻璃
液压
排放
口罩
路桥
吊环
探伤
照明
混凝土
电缆
进出口
电气设备
疏水阀
螺丝
中心孔
校车
国标
行业
地方
团体
企业
计量
手册
建设
文档
首页