当前位置:首页 > 行业标准 > HB 1-144-1995

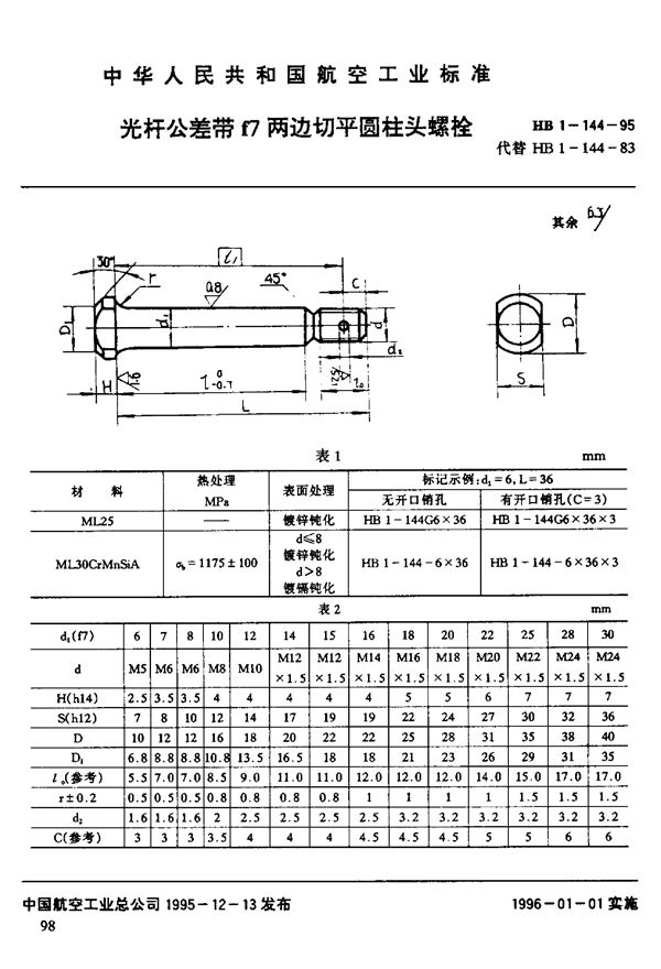
HB 1-144-1995 光杆公差带f7两边切平圆柱头螺栓

HB 1-144-1995标准基本信息

标准名称:光杆公差带f7两边切平圆柱头螺栓

标准号:HB 1-144-1995

HB 1-144-1995 光杆公差带f7两边切平圆柱头螺栓

声明:资源收集自用户分享或网络,仅为个人学习参考使用,如侵犯您的权益,请联系我们处理。

不能下载?报告错误