免费标准网 - 标准下载、免费文档下载网站
搜索
当前位置:
首页
>
行业标准
> HB 3594-1985
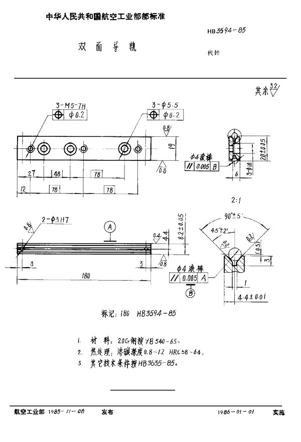
HB 3594-1985 双面导轨
HB 3594-1985标准基本信息
标准名称:双面导轨
标准号:HB 3594-1985
收藏
下载
声明:资源收集自用户分享或网络,仅为个人学习参考使用,如侵犯您的权益,请联系我们处理。
不能下载?报告错误
翻页:
HB 4111-1988 B型卸料板
相关内容
HB 3593-1985 双面导轨
HB 3595-1985 双面导轨
HB 3590-1985 双面导轨
HB 3591-1985 双面导轨
HB 3592-1985 双面导轨
下载
免费下载
收藏
报错
热门标签
校车
法兰
线材
液压
退刀槽
食用盐
安全帽
排放
噪声
牛奶
给水排水
热处理
油品
数据
蝶阀
门窗
不锈钢管
仪表
国标
行业
地方
团体
企业
计量
手册
建设
文档
首页