当前位置:首页 > 行业标准 > HB 7029.9-1994

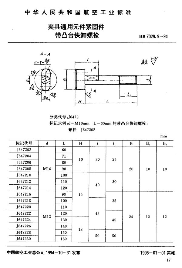
HB 7029.9-1994 夹具通用元件紧固件带凸台快卸螺栓

HB 7029.9-1994标准基本信息

标准名称:夹具通用元件紧固件带凸台快卸螺栓

标准号:HB 7029.9-1994

HB 7029.9-1994 夹具通用元件紧固件带凸台快卸螺栓

声明:资源收集自用户分享或网络,仅为个人学习参考使用,如侵犯您的权益,请联系我们处理。

不能下载?报告错误