当前位置:首页 > 行业标准 > HB 7029.6-1994

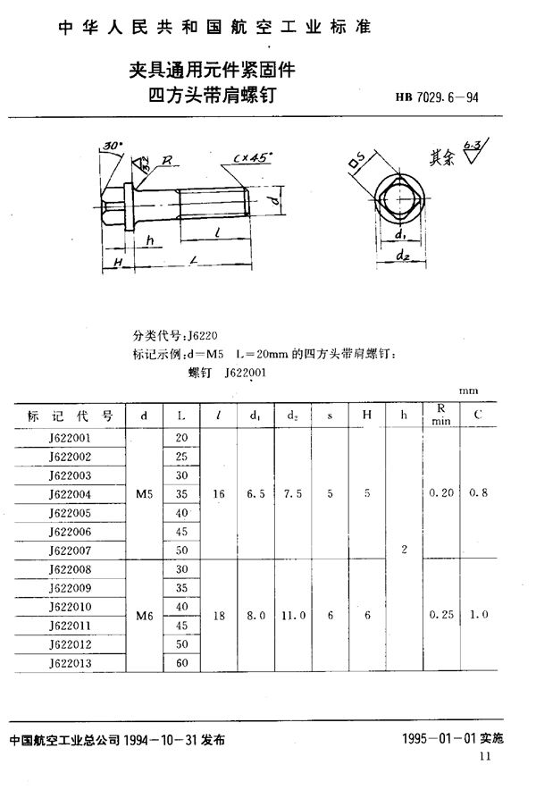
HB 7029.6-1994 夹具通用元件紧固件四方头带肩螺钉

HB 7029.6-1994标准基本信息

标准名称:夹具通用元件紧固件四方头带肩螺钉

标准号:HB 7029.6-1994

HB 7029.6-1994 夹具通用元件紧固件四方头带肩螺钉

声明:资源收集自用户分享或网络,仅为个人学习参考使用,如侵犯您的权益,请联系我们处理。

不能下载?报告错误