当前位置:首页 > 行业标准 > HB 7028.19-1994

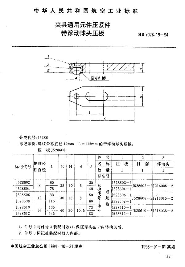
HB 7028.19-1994 夹具通用元件压紧件 带浮动球头压板

HB 7028.19-1994标准基本信息

标准名称:夹具通用元件压紧件 带浮动球头压板

标准号:HB 7028.19-1994

HB 7028.19-1994 夹具通用元件压紧件 带浮动球头压板

声明:资源收集自用户分享或网络,仅为个人学习参考使用,如侵犯您的权益,请联系我们处理。

不能下载?报告错误