免费标准网 - 标准下载、免费文档下载网站
搜索
当前位置:
首页
>
行业标准
> HB 4128-1988
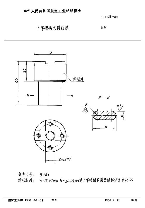
HB 4128-1988 十字槽柄长圆凸模
HB 4128-1988标准基本信息
标准名称:十字槽柄长圆凸模
标准号:HB 4128-1988
收藏
下载
声明:资源收集自用户分享或网络,仅为个人学习参考使用,如侵犯您的权益,请联系我们处理。
不能下载?报告错误
翻页:
HB 4129-1988 圆缺口凸模
相关内容
YY/T 0957.2-2014 矫形工具 拧动接头 第2部分 一字槽、十字槽和十字槽头螺钉用螺丝刀
HB 20343-2016 十字槽密封销钉快卸锁
QJ 20040.3-2011 不锈钢螺钉垫圈组合件 第3部分:十字槽凹穴六角头螺栓、弹簧垫圈和平垫圈
QJ 20040.2-2011 不锈钢螺钉垫圈组合件 第2部分:十字槽盘头螺钉和鞍形弹性垫圈
QJ 20040.1-2011 不锈钢螺钉垫圈组合件 第1部分:十字槽盘头螺钉、弹簧垫圈和平垫圈
下载
免费下载
收藏
报错
热门标签
螺丝
给水排水
路桥
玩具
锁紧螺母
插头
型钢
压力容器
噪声
照明
中心孔
食品安全
数据
牛奶
不锈钢
无缝管
紧固件
螺母
国标
行业
地方
团体
企业
计量
手册
建设
文档
首页