当前位置:首页 > 行业标准 > HB 7150.5-1995

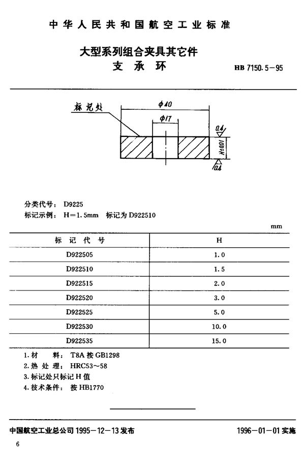
HB 7150.5-1995 大型系列组合夹具其它件 支承环

HB 7150.5-1995标准基本信息

标准名称:大型系列组合夹具其它件 支承环

标准号:HB 7150.5-1995

HB 7150.5-1995 大型系列组合夹具其它件 支承环

声明:资源收集自用户分享或网络,仅为个人学习参考使用,如侵犯您的权益,请联系我们处理。

不能下载?报告错误