免费标准网 - 标准下载、免费文档下载网站
搜索
当前位置:
首页
>
行业标准
> HB 4354-1989
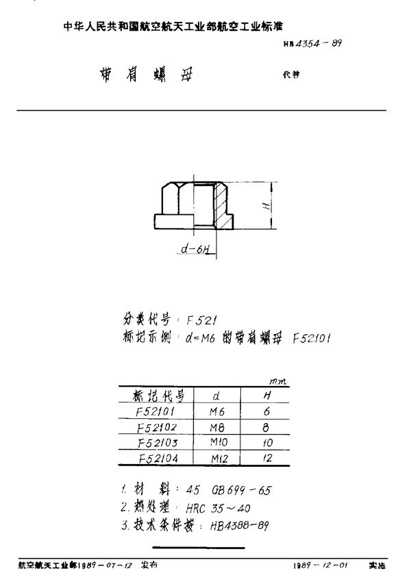
HB 4354-1989 带肩螺母
HB 4354-1989标准基本信息
标准名称:带肩螺母
标准号:HB 4354-1989
收藏
下载
声明:资源收集自用户分享或网络,仅为个人学习参考使用,如侵犯您的权益,请联系我们处理。
不能下载?报告错误
翻页:
HB 4363-1989 长方推板
相关内容
HB 1723-1987 小带肩螺母
HB 1616-1987 带肩螺母
JB/T 6188.15-1992 16mm槽系组合夹具紧固件 带肩螺母
JB/T 8004.2-1999 机床夹具零件及部件 球面带肩螺母
JB/T 8004.2-1995 机床夹具零件及部件 球面带肩螺母
下载
免费下载
收藏
报错
热门标签
电动车
数据
污染物排放
安全带
热处理
噪声
电源线
过滤器
螺母
锻造
气体
液压
联轴器
齿轮
家具
密封垫片
热电偶
暖通空调
国标
行业
地方
团体
企业
计量
手册
建设
文档
首页