当前位置:首页 > 行业标准 > HB 4531.1-1991

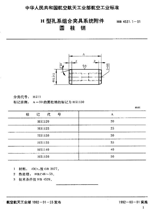
HB 4531.1-1991 H型孔系组合夹具系统附件 圆柱销

HB 4531.1-1991标准基本信息

标准名称:H型孔系组合夹具系统附件 圆柱销

标准号:HB 4531.1-1991

HB 4531.1-1991 H型孔系组合夹具系统附件 圆柱销

声明:资源收集自用户分享或网络,仅为个人学习参考使用,如侵犯您的权益,请联系我们处理。

不能下载?报告错误