当前位置:首页 > 行业标准 > HB 4533.2-1991

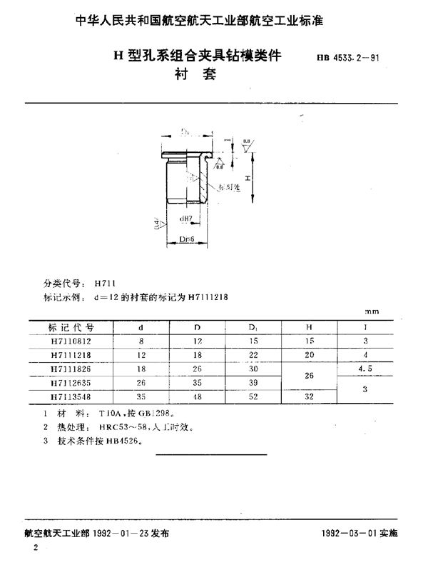
HB 4533.2-1991 H型孔系组合夹具钻模类件 衬套

HB 4533.2-1991标准基本信息

标准名称:H型孔系组合夹具钻模类件 衬套

标准号:HB 4533.2-1991

声明:本站为网络服务提供者及网络索引服务平台资源索引自网络/用户分享,如有版权问题,请联系站方删除。

不能下载?报告错误