当前位置:首页 > 行业标准 > HB 6913-1994

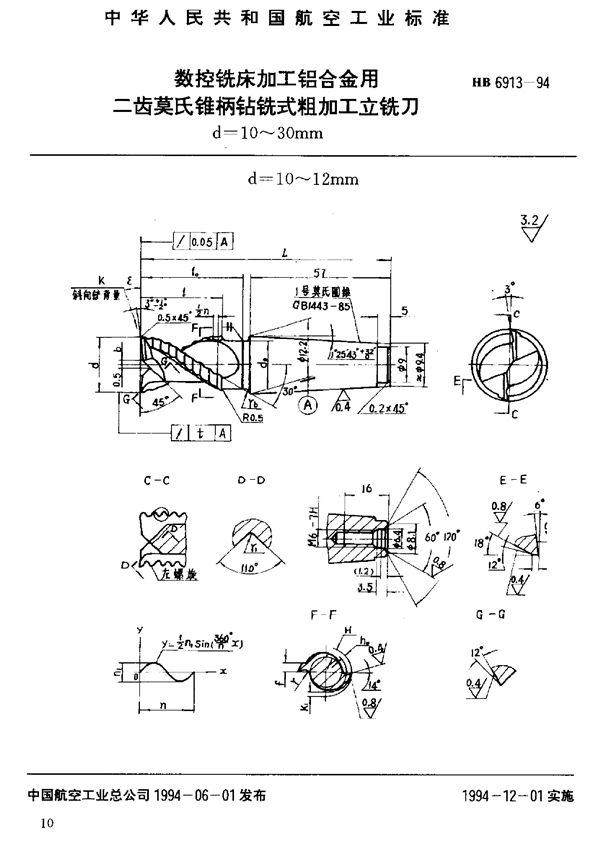
HB 6913-1994 数控铣床加工铝合金用二齿莫氏锥柄钻铣式粗加工立铣刀

HB 6913-1994标准基本信息

标准名称:数控铣床加工铝合金用二齿莫氏锥柄钻铣式粗加工立铣刀

标准号:HB 6913-1994

HB 6913-1994 数控铣床加工铝合金用二齿莫氏锥柄钻铣式粗加工立铣刀

声明:资源收集自用户分享或网络,仅为个人学习参考使用,如侵犯您的权益,请联系我们处理。

不能下载?报告错误