免费标准网 - 标准下载、免费文档下载网站
搜索
当前位置:
首页
>
行业标准
> HB 1753-1987
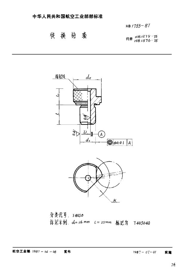
HB 1753-1987 快换钻套
HB 1753-1987标准基本信息
标准名称:快换钻套
标准号:HB 1753-1987
收藏
下载
声明:资源收集自用户分享或网络,仅为个人学习参考使用,如侵犯您的权益,请联系我们处理。
不能下载?报告错误
翻页:
HB 5041-1992 硬铬、乳白铬镀层质量检验
相关内容
QJ 103.2A-1997 机床夹具零件及部件 Ⅱ 型加长快换钻套
QJ 103.1A-1997 机床夹具零件及部件Ⅰ型加长快换钻套
JB/T 8045.3-1999 机床夹具零件及部件 快换钻套
JB/T 3411.122-1999 快换钻夹头接杆 尺寸
JB/T 5369.2-1991 8mm槽系组合夹具导向件 快换钻套
下载
免费下载
收藏
报错
热门标签
螺丝
止回阀
安全
阻燃
锻造
电缆
弯头
钢球
封头
噪声
硬度
密封圈
人孔
铆钉
热处理
换热器
仪器
气体
国标
行业
地方
团体
企业
计量
手册
建设
文档
首页