免费标准网 - 标准下载、免费文档下载网站
搜索
当前位置:
首页
>
行业标准
> HB 4350-1989
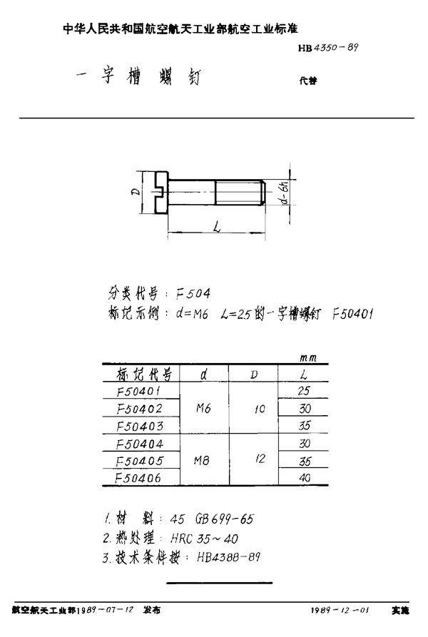
HB 4350-1989 一字槽螺钉
HB 4350-1989标准基本信息
标准名称:一字槽螺钉
标准号:HB 4350-1989
收藏
下载
声明:资源收集自用户分享或网络,仅为个人学习参考使用,如侵犯您的权益,请联系我们处理。
不能下载?报告错误
翻页:
HB 5514-1996 普通型无折断槽钢丝螺套型式与尺寸
相关内容
YY/T 0957.2-2014 矫形工具 拧动接头 第2部分 一字槽、十字槽和十字槽头螺钉用螺丝刀
GB 10639-1989 一字槽螺钉旋具
GB 10637-1989 一字槽螺钉旋具螺杆
T/ZZB 2320-2021 一字槽和十字槽螺钉旋具
QB/T 2613.12-2015 防爆工具 防爆用一字槽螺钉旋具
下载
免费下载
收藏
报错
热门标签
甲醛
牛奶
检验检测
螺母
仪表
无缝管
密封圈
抽样
不锈钢
管件
圆钢
封头
工业自动化
胶合板
阀门
锅炉
校车
施工工艺
国标
行业
地方
团体
企业
计量
手册
建设
文档
首页