当前位置:首页 > 行业标准 > HB 4224-1989

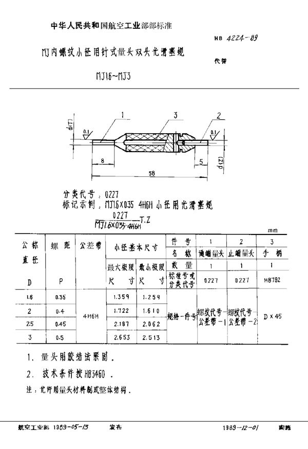
HB 4224-1989 MJ内螺纹小径用针式量头双头光滑塞规 MJ1.6~MJ3

HB 4224-1989标准基本信息

标准名称:MJ内螺纹小径用针式量头双头光滑塞规 MJ1.6~MJ3

标准号:HB 4224-1989

HB 4224-1989 MJ内螺纹小径用针式量头双头光滑塞规 MJ1.6~MJ3

声明:资源收集自用户分享或网络,仅为个人学习参考使用,如侵犯您的权益,请联系我们处理。

不能下载?报告错误