当前位置:首页 > 行业标准 > QJ 2262.6-1992

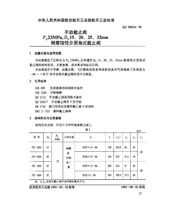
QJ 2262.6-1992 手动截止阀 PN23MPa,DN15,20,25,32mm耐腐蚀性介质角式截止阀

QJ 2262.6-1992标准基本信息

标准名称:手动截止阀 PN23MPa,DN15,20,25,32mm耐腐蚀性介质角式截止阀

标准号:QJ 2262.6-1992

QJ 2262.6-1992 手动截止阀 PN23MPa,DN15,20,25,32mm耐腐蚀性介质角式截止阀

声明:资源收集自用户分享或网络,仅为个人学习参考使用,如侵犯您的权益,请联系我们处理。

不能下载?报告错误