当前位置:首页 > 行业标准 > SJ 1770-1981

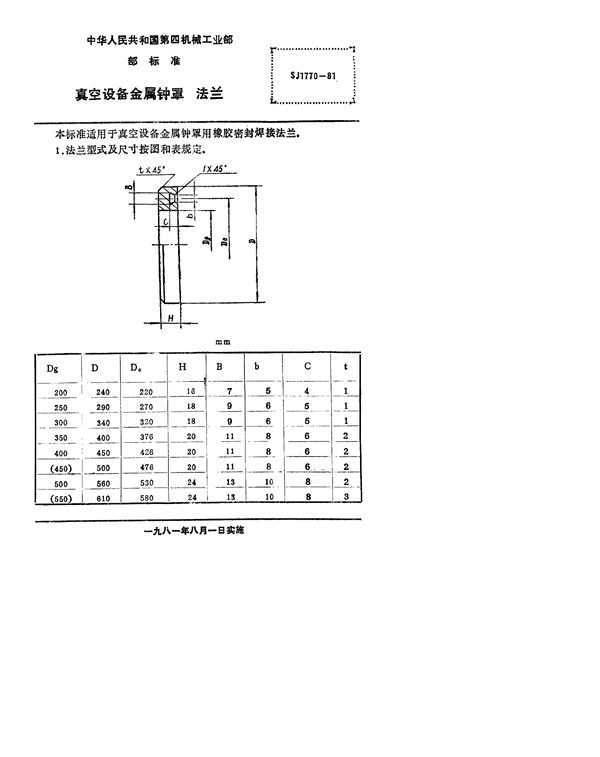
SJ 1770-1981 真空设备金属钟罩 法兰

SJ 1770-1981标准基本信息

标准名称:真空设备金属钟罩 法兰

标准号:SJ 1770-1981

SJ 1770-1981 真空设备金属钟罩 法兰

声明:资源收集自用户分享或网络,仅为个人学习参考使用,如侵犯您的权益,请联系我们处理。

不能下载?报告错误