当前位置:首页 > 行业标准 > SJ 20021-1992

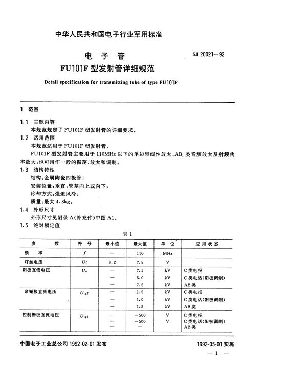
SJ 20021-1992 电子管FU101F型发射管详细规范

SJ 20021-1992标准基本信息

标准名称:电子管FU101F型发射管详细规范

标准号:SJ 20021-1992

SJ 20021-1992 电子管FU101F型发射管详细规范

声明:资源收集自用户分享或网络,仅为个人学习参考使用,如侵犯您的权益,请联系我们处理。

不能下载?报告错误