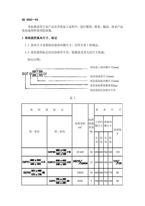
SC/T 9003-1984标准基本信息
标准名称:水产品冻结盘
标准号:SC/T 9003-1984
英文名称:Fishing frozen plate
发布部门:中华人民共和国农牧渔业部
起草单位:

SC/T 9003-1984标准基本信息
标准名称:水产品冻结盘
标准号:SC/T 9003-1984
英文名称:Fishing frozen plate
发布部门:中华人民共和国农牧渔业部
起草单位:

声明:资源收集自用户分享或网络,仅为个人学习参考使用,如侵犯您的权益,请联系我们处理。
不能下载?报告错误