SJ/T 31190-1994标准基本信息
标准名称:显像管玻壳屏、锥液压供料机完好要求和检查评定方法
标准号:SJ/T 31190-1994
标准格式:PDF
标准分类:行业标准
标准大小:135.6 KB
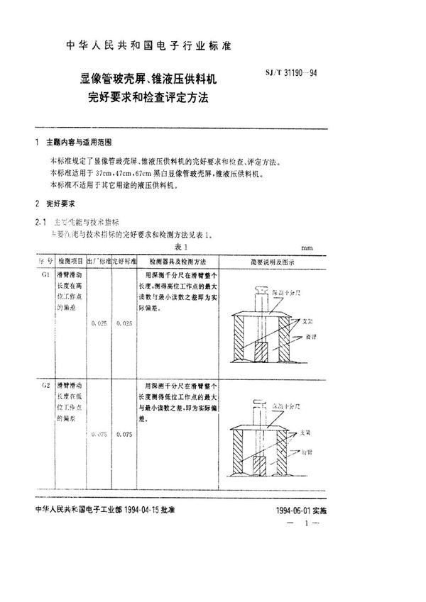
SJ/T 31190-1994 显像管玻壳屏、锥液压供料机完好要求和检查评定方法

SJ/T 31190-1994标准基本信息
标准名称:显像管玻壳屏、锥液压供料机完好要求和检查评定方法
标准号:SJ/T 31190-1994
标准格式:PDF
标准分类:行业标准
标准大小:135.6 KB
SJ/T 31190-1994 显像管玻壳屏、锥液压供料机完好要求和检查评定方法

声明:资源收集自用户分享或网络,仅为个人学习参考使用,如侵犯您的权益,请联系我们处理。
不能下载?报告错误