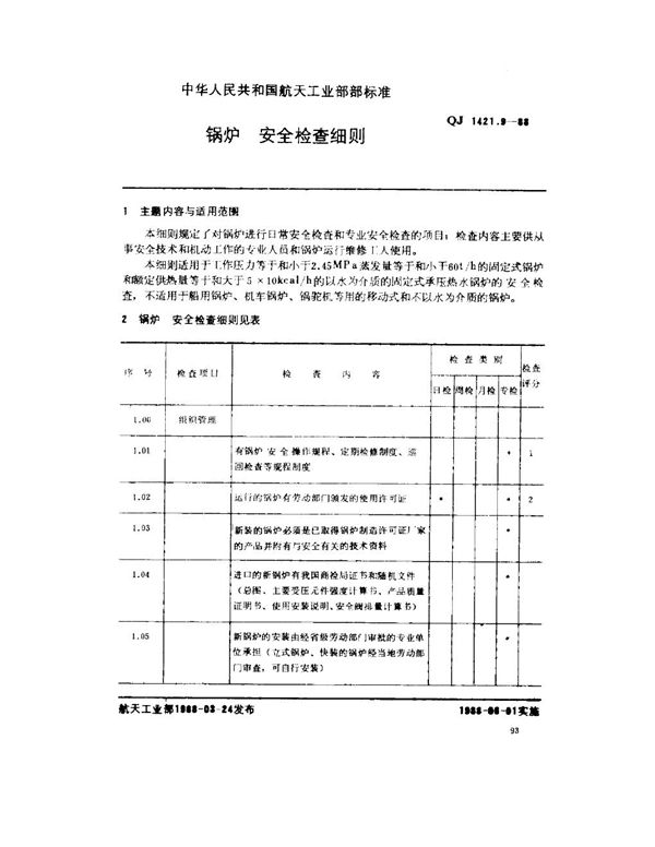
QJ 1421.9-1988标准基本信息
标准名称:安全检查细则 锅炉安全检查细则
标准号:QJ 1421.9-1988
标准格式:PDF
标准分类:行业标准
标准大小:230.39 KB
QJ 1421.9-1988 安全检查细则 锅炉安全检查细则

QJ 1421.9-1988标准基本信息
标准名称:安全检查细则 锅炉安全检查细则
标准号:QJ 1421.9-1988
标准格式:PDF
标准分类:行业标准
标准大小:230.39 KB
QJ 1421.9-1988 安全检查细则 锅炉安全检查细则

声明:资源收集自用户分享或网络,仅为个人学习参考使用,如侵犯您的权益,请联系我们处理。
不能下载?报告错误