SJ 3018.9-1988标准基本信息
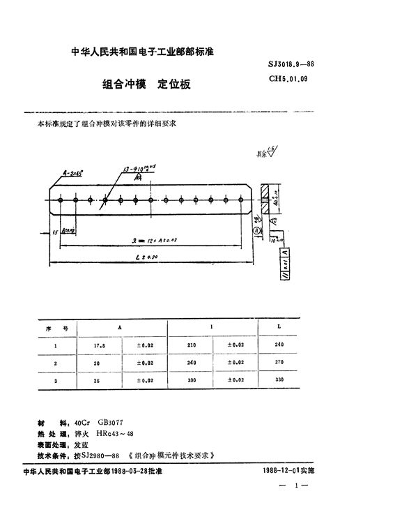
标准名称:组合冲模 定位板
标准号:SJ 3018.9-1988
标准格式:PDF
标准分类:行业标准
标准大小:34.89 KB
SJ 3018.9-1988 组合冲模 定位板

SJ 3018.9-1988标准基本信息
标准名称:组合冲模 定位板
标准号:SJ 3018.9-1988
标准格式:PDF
标准分类:行业标准
标准大小:34.89 KB
SJ 3018.9-1988 组合冲模 定位板

声明:资源收集自用户分享或网络,仅为个人学习参考使用,如侵犯您的权益,请联系我们处理。
不能下载?报告错误